Menu Principal:
EJERCICIO Nº31 (ASS-3D) |
Problema sobre Montajes, constraints, modificacion de piezas |
Ejer-Ass-12-Manivela |
Las piezas de este ejercicio, han sido “donadas” por FGS, que dice ser de su propiedad. ¡Gracias, compañero!
Se trata de montar un conjunto formado por las siguientes piezas:
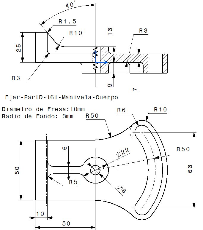
| • | Ejer-PartD-161-Manivela-Cuerpo.CATPart | ejercicio29.html | ejer-29-manivela.jpg |
| • | Ejer-PartD-165-Manivela-manivela.model | ejercicio31-plano.gif | ejercicio31-plano.gif |
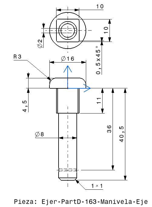
| • | Ejer-PartD-163-Manivela-Eje.CATPart | ejercicio30.html | ejerc-30-eje.jpg |
| • | Ejer-PartD-164-Manivela-Casquillo.CATPart | ejerc-30-eje.jpg | ejerc-30-casquillo.jpg |
| • | Pasador.model | Cilindro de diámetro 2mm y longitud 20mm | |

Las piezas que faltan, hay que hacerlas con los ejercicios anteriores.
Ver vídeo: Ejerc_31-Montaje_Manivela.mp4
El Puerto de Santa María a 14/10/2025
El Puerto de Santa María a 03/03/2026
| Sus preguntas a: juanri@muchocatia.es | Can._YouTube | CATIA V5 Vis. nº |