Menu Principal:
ketch |
||
| En CATIA V5, cuando una determinada feature (Pad, Pocket, etc.) nos pide utilizar un “perfil”, podemos seleccionar el Sketch completo (Whole geometry) o bien una parte de ese Sketch, siempre y cuando esa “parte” tenga los requisitos que se pide en la feature donde se emplee. Para utilizar sólo una parte, lo hacemos colocando el cursor sobre el campo “Selection” y mediante el menú contextual, seleccionar la opción “Go to profile definition”. En este caso nos aparece una ventana, donde podemos seleccionar qué contornos, de todos los que componen el Sketcher, queremos seleccionar.
|
![]() |
Elección de sub-elementos de un Sketch. La opción “Go to profile definition”.
En la mayoría de las features que utilizan Sketcher, podemos seleccionar el Sketcher completo o bien colocando el cursor sobre el campo seleccionar la opción “Go to profile definition”. En este caso, nos aparece una ventana donde podemos seleccionar qué contornos, de todos los que componen el Sketcher, queremos seleccionar.
Tenemos dos opciones:
| A) | Seleccionar un perfil y después dar al botón [Add], que permite después eliminar el “perfil” que queramos. Esto se utiliza para distinguir entre distintos contornos cerrados. |
| B) | Seleccionar un controno detrás de otro, sin dar al botón [Add], lo que lo convierte en una única selección. Esto se utiliza para enlazar todos los contornos que determinan UN perfil cerrado (un dominio). |
| Cuando tenemos un contorno, por ejemplo el exterior, y este está cortado para permitir varias selecciones, NO debemos usar el botón [Add] hasta que no hemos terminado con todo el Perfil y este esté cerrado. Sólo debemos aplicarlo para definir otro perfil cerrado. |

Como podemos comprobar, al seleccionar una línea o una curva, esta se queda de color naranja y de trazo continuo, pero CATIA extrapola la selección hasta que llega a cerrar el “dominio” o hasta que encuentra un punto donde coinciden más de una única coincidencia y que, por lo tanto, pueden seguirse “dos caminos distintos”. En ese caso, se para esperando que el usuario determine por dónde seguir.

Con la opción A, si seleccionamos, de la lista, un sub-elemento, este se pone de color azul para su identificación y nos permite eliminarlo fácilmente.
Si, sin querer, hemos entrado seleccionándolo todo o, por otra causa, queremos dejar de utilizar el Sketch completo, el procedimiento, en principio es el mismo, pero debemos:
| 1.- | Deseleccionar |
| 2.- | Borrar la línea donde aparece el Sketch completo, seleccionándola y dando al botón [Remove]. |
| 3.- | Una vez con la opción |
| 4.- | Y, finalmente, dar al [OK]. |
Lo importante de cualquier “ejercicio” es las conclusiones que saquemos de él. Si simplemente lo hacemos “sin pensar”, eso no sirve de nada. ¡Recuérdalo!
¿Qué objetivo se persigue con el Go to profile definition?
Pues el objetivo que se persigue, es tener el menor número posible de Sketch en un diseño, para así reducir el número de cotas, evitar duplicidad y link’s innecesarios entre geometrías de la misma pieza que, al final, nos puede dar “ciclo de update”.
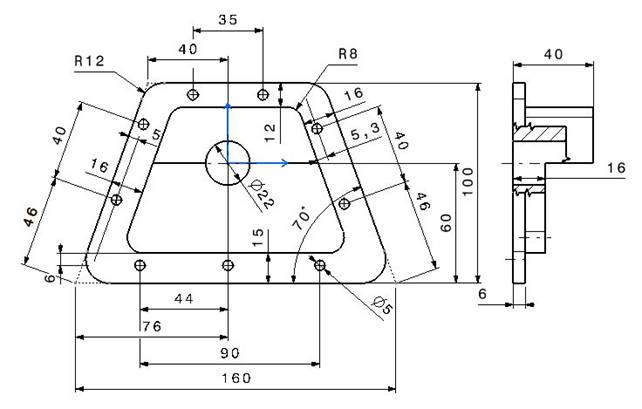
¿Quieres ver un ejemplo fácil? Mira la siguiente pieza (que puedes intentar dibujar tú, querido lector/lectora):

Fijémosno sólo en la banda inferior, como se haría MAL, en CATIA V5 :
| 1.- | Si hace un Sketch para el contorno exterior, tendrás que poner la cota de 60 (al H), 76; 160; el ángulo de 70°; la cota de 100 para poder definir el otro extremo, con la cota de 40mm. | |
| 2.- | Si por otro lado haces el contorno interior (banda de 15mm; 16 en los extremos y 12mm arriba) te tiene que: | |
| • | Redibujar el contorno exterior, duplicando todas las cotas mencionadas. | |
| • | O hacer una referencia (proyectando elementos, por ejemplo) sobre este segundo Sketch. | |
| 3.- | Y si necesitas dibujar los puntos de los taladros, tres cuarto de lo mismo. | |
Ahora imagínate que te cambio la cota de 60. Te tienes que “acordar” (3 años después) que esa cota hay que modificarla en 3 sitios distintos.
Sin embargo, con el Go to profile Definition, yo he usado un sólo Sketch que si lo ves es “exactamente igual al plano que el cliente me proporciona”, facilitándome, de esta forma, su verificación y modificación.

Me comentaba el otro día, Jess (un colega) que mi primer libro estaba bien, y añadía esta propuesta:
“¿Y un mismo ejemplo hecho de distintas maneras? Podría ser un buen ejercicio. Habría que ver cual seria la mejor opción, tanto para el cálculo como para la regeneración en pantalla (Update).”
Pero ¿Cuántas maneras se te ocurren a ti? Seguro que no son las mismas que se me ocurren a mí.
La idea es buena, pero la forma de llevarla a cabo (bajo mi punto de vista), es que vosotros me digáis cómo se os ocurre hacerla a vosotros y contrastemos con la forma que propongo. Tened en cuenta que, a veces, pongo métodos enrevesados para que aprendáis comandos pocos usados, NO porque sea el método más corto/mejor.
En Sevilla, por el Juanri, a 27/12/2014.