Menu Principal:
Está Vd en: Ejercicios>> Ejercicio Nº141 Casita de esquimales.
Pad, Shaft, FaceFillet |
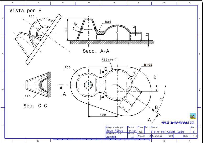
Ejer-141_Casita de hielo |
Vamos a diseñar una casita que usan los esquimales, en el polo norte. Es una parte esférica y otra cónica (podría haber sido también esférica) y entre medio de ellas "ha caído el hielo" dejando una forma que solucionamos con el comando, de CATIA V5, "Face Fillet".
No redondearemos el resto de las aristas interiores ni exteriores.

Si quereis podeis preguntar o comentar conmigo.
Ver vídeo: Ejerc-141-Iglu.mp4
El Puerto de Santa María a 21/12/25
| Sus preguntas a: juanri@muchocatia.es | Can._YouTube | CATIA V5 Visitante nº |