Menu Principal:
Está Vd en: Ejercicios>>Otros
>>Ejercicio Nº10 (Acotado automatico).
EJERCICIO Nº10 (DRW) |
Ejercicio de la función Drawing |
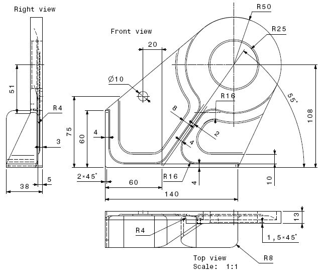
Ejer-N09-PartD-Herraje_Angular |
Esto empezó siendo un "ejercicio" … y es más un Lección sobre el módulo de Drawing.
Partiendo del CATPart del ejercicio anterior (Ejer-N09-PartD-Herraje_Angular.CATPart) obtener el dibujo de la pieza y comprobar las cotas.,..Cotas.. que ya pusimos en los Sketch
Cargamos el CATPart en la sesión.
Creamos un CATDraw nuevo mediante File
New..
Drawing. Nos aparece la ventana donde se selecciona el tipo, en nuestro caso "Drawing" y el tipo de Formato, en nuestro caso ISO; A2 ISO y orientación "Landscape" (horizontal) y escala 1:1

Con esto nos parece la ventana de la izquierda y al seleccionar, la de la derecha.
Debemos antes de empezar comprobar que las Opciones del DRW son las adecuadas:
Tools
Options
Mechanical Design
Drafting
General:
Cuadro Grid:
* Display: Desactivada
* Snap to Point: Desactivada
Cuadro View Axis: Display in the current View: Activada
Pestaña Drafting
View:
Cuadro Geometry generation/ Dress-up:
* Generate center lines: Activada
* View generation mode: Exact view
Exact preview for view generation: Activada
Pestaña Drafting
Generation:
Cuadro Dimension generation: Active las opciones Filters before generation. Esto lanza automáticamente el filtrado de las dimensiones antes de generar las dimensiones. Active según imagen:

Y una vez preparados, comencemos:
Seleccionando el icono
"Front View" (obtener el Alzado o vista principal) para crear una vista a partir del espacio. Una vez hecho clic nos pide "Seleccionar un plano de referencia en la Geometría 3D". Entonces cambiamos de ventana Window
y cambiamos a la ventana de CATPart. Seleccionamos la cara plana paralela a la base y antes de seleccionar aparece una ventana "Orient Preview" que nos dice que orientación "previa" tendrá la vista.

Una vez seleccionada automáticamente cambia a la vista de DRW y nos aparece la vista que como veremos tiene el color y el aspecto del espacio. Si queremos cambiar la orientación ahora es el momento.

Ahora necesitamos crear una Proyección de esta vista. Lo haremos mediante el icono
"Projection View". Al hacer clic en el icono aparentemente NO pasa NADA, pero el efecto lo vemos cuando movemos el puntero y lo colocamos a cualquier lado de la vista activa. OJO: Debemos tener un zoom adecuado para que el puntero se pueda colocar en la periferia. Esto es lo que veremos si colocamos el puntero a la Izquierda.

Una vez situado, hacemos clic y la vista se generará. Volvemos a hacer lo mismo y generamos la vista Inferior. Este sería el resultado:

Podemos modificar la posición de cada vista "tirando" del Frame (rectángulo de las líneas de trazos) que aparece alrededor de la vista.

El "comando" se aplicará SOLO a las vistas seleccionadas. Seleccionamos todas las vistas y damos al
comando "Generate Dimensions".
Nos aparece la siguiente ventana, donde dejamos activadas en "Type of constraint":
üSketcher Constraints: genera las dimensiones creadas en el Sketch.
ü3D Constraints: genera dimensiones de constraint en 3D, por ejemplo distancia entre planos.
üAssembly constraints: Sólo se activa si es el plano de un Conjunto
üMeasured constraints: se genera de las medidas existente.
Y en Options: ü..associated with unrepresented elements
Nos aparece el número de cotas a colocar. Y damos al botón OK.

Y sale este panel al lado, de las cotas, que salen posicionada en el mismo sitio que lo pusimos en el Sketch. En el panel que sale permite filtrar. Activamos las opciones de la imagen:

Ahora solo queda, si es necesario, modificar la posición de las cotas y eliminar la que no sea necesaria y añadir las otras que falten, por ejemplo las alturas.
Añadimos las cotas que falta mediante el icono 

Este Comando tiene el inconveniente que crea cotas que no son importantes, como las alturas de, por ejemplo, los Pocket que eliminan material, cuando sólo importa las del contorno de dicho Pocket. También tiene el inconveniente de colocar las cotas, por ejemplo, de un taladro, en la vista "que a CATIA le parece"… y puede no ser la mas clara. Para eso está el comando "Generate Dimensions Step by Step".
Eso lo teneis en: Draw_AcotadoAutomatico.mp4
Sevilla a 29/10/2025
| Sus preguntas a: juanri@muchocatia.es | Can._YouTube | CATIA V5 Visitante nº |