Menu Principal:
Está Vd en: FAQ>>Part Design
>>077_taladro perpendicular, en superficies curvas.
Los Procedimientos definen, entre las muchas formas de hacer las cosas, cual es la más indicada.
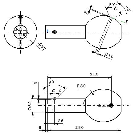
Supondremos el caso de una superficie de revolución, en CATIA V5, donde queremos hacer dos taladros perpendiculares entre sí, de tal forma que corten al eje de revolución. Puede ser una forma genérica para dar taladros sobre superficies curvas.

Y estamos hablando del comando “Hole” (para ver mas datos haz clic nivel2/man0601-sol-hole-n2.html, actualmente desactivado).
El problema que se nos presenta es determinar cuál es el mejor método de determinar el punto de aplicación, dado que la dirección siempre es normal a la superficie pasando por el punto del sketch.
Supongamos que tenemos ya creado el elemento de revolución, tal como la figura, y queremos hacer el primer taladro a la cota de y=26mm:

Primero determinamos el punto de aplicación:
Se nos presentan dos casos:
| • | El punto sobre la superficie podemos definirlo por coordenadas. | |
| • | En ese caso (caso que estén situados en zona cilíndrica, es decir conocemos el radio y está en un eje) nos evitamos los dos pasos siguientes. Pondríamos, caso de estar en el plano YZ y el radio del cilindro de 15mm y la distancia en y=26mm: Point= 0,26,15. | |
| • | Damos al icono “Hole” y seleccionamos el punto y la superficie cilíndrica. | |
| Esto no nos vale si forma, por ejemplo, 65° con el vertical, pues no conoceríamos las coordenadas del punto, (a no ser que las calculemos por trigonometría, claro). | ||

| • | El punto, sobre la superficie, NO podemos definirlo por coordenadas. |
En ese caso: Podemos obtener el punto por medio de una construcción alámbrica o por medio de un sketch.
Primero vamos a ver como se haría por medio de elementos alámbricos.
| 1.- | Trazamos un plano a la distancia de 26mm y obtenemos la curva de intersección con la superficie. En esta curva se encuentra el punto de aplicación del taladro.![]() |
||
| 2.- | Obtenemos el punto de aplicación. Existen al menos tres formas de obtener esos puntos con geometría alámbrica: |
||
| • | Usando el comando “Extremum” para lo cual: |
||
| • | Seleccionamos como “elemento” una curva intersección y como Dirección primaria (la que está dentro del primer cuadrado, que es la importante) el plano XY (en realidad con esto damos el vector director de dicho plano, es decir el eje Z). | ||
| • | Las direcciones opcionales NO son en este caso obligatorias. |
||
| • | Usando el comando “Point” con el tipo “Tangent on curve”, donde seleccionaríamos la curva de intersección y como “Dirección” el eje X. Pero esto daría dos resultado: el punto por debajo y el punto por encima, teniendo que quedarnos con uno usando la opción |
||
![]() ![]() |
|||
| • | Y por último podemos hacerlo usando el comando “Intersect” entre un plano que corte a la curva. En nuestro caso el plano YZ o el plano XY. | ||

En este caso también tendremos que recurrir a quedarnos con uno de los dos puntos que obtenemos.
De estos tres comandos, el más exacto es el último. ¿Motivo?: Los otros comando calculan sus puntos por el método de aproximación (puede que sea el de Newton). Es decir van calculando puntos a un lado y otro de la curva y averiguando la distancia que más lejos esté en la dirección indicada. Dejan de calcular cuando la diferencia entre dos puntos es inferior a la definida como “tolerancia del modelo”. Sin embargo, el método de intersección calcula el punto por solución de ecuaciones.
Veamos la obtención del punto con un Sketch:
No nos haría falta dibujar el círculo, sólo el plano.
| a. | Hacemos un sketch apoyado en el plano de 26mm | ![]() |
| b. | Dibujamos un punto en cualquier sitio, por ejemplo que no coincida con nada (podría coincidir con el eje V si es vertical). | |
| c. | Manteniendo presionada la tecla control, seleccionamos el punto y el círculo de la base. Damos al icono “Constraint Defined in dialog box” |
![]() |
Sólo queda posicionarla respecto al eje que queramos o formando un ángulo determinado, volviendo a aplicar la “Coincidencia” con el eje. |
| 3.- | Y ahora el “truco” está en seleccionar siempre un punto antes y después, la cara para la dirección. En el entorno del Part Design: | |
| • | Damos al icono “Hole”. | |
| • | Seleccionamos el punto que hemos creado. |
|
| Y seleccionamos la superficie en cualquier punto. Podemos usar el “User filter Selection” para seleccionar sólo la parte de la superficie sobre la que se encuentra el punto. | ||
| Nota: | Los puntos obtenidos mediante “Extract” (en Release 16 SP4 Hot Fix 20), no los admite bien el comando “Hole” junto con una superficie. Si funciona un “Extract” con un plano o un punto colocado sobre el “Extract” con la superficie. Lo reportaremos a IBM a ver que pasa... |
| Actualización: | En la Release 27 (no he probado las anteriores) SI funciona. Y ya no se reporta nada a IBM, si no directamente a D. S. |
Bueno, pues para los casos que no funciona, podemos hacer (como by-pass) un plano tangente a la superficie por el Extract y ésa es la superficie que seleccionamos.

Si ahora comprobamos el ángulo que existe entre el eje del “tal” adro (como decían en mi pueblo: “Niño: ha preguntado por ti un tal Adro”), y el eje Z, veremos que son paralelos.

| 4.- | En este caso suponemos que no tenemos las coordenadas del punto sobre la superficie. Seguiremos el método más fácil del sketch sobre el plano. | |
| • | Trazamos un plano a la distancia deseada. | |
| • | Obtenemos la curva intersección. | |
| • | Para obtener el punto, creamos un sketch en el plano. | |
| • | En el sketch, dibujamos un punto que hacemos coincidir con la curva intersección. Esta curva ha sido necesaria crearla porque no permite hacer el punto coincidente con la superficie ni proyectar esta superficie sobre el sketch. Pero si nos permite hacer la coincidencia con la curva y esto haremos. | |
![]() |
|
| • | Trazamos una línea Perpendicular a la superficie. |
![]() |
|
| • | Comprobamos la posición de la línea: debe estar en este caso en el plano XY. |
| 5.- | Damos un taladro seleccionando ahora lo siguiente: | |
| • | La línea. | |
| • | El punto (es mejor seleccionarlo, que no seleccionarlo) | |
| • | Y por último la “cara” sobre la que está el punto. | |

Observamos que ahora sale no activada la opción
“Normal to Surface”.
Como habéis visto, mucho proceso para “asegurar” que los taladros salen de forma exacta. Esta exactitud no se tiene cuando a la hora de hacer un “Hole”, se selecciona primero la cara, porque el plano que pone CATIA V5 es:
Tangente a la superficie por el punto que hemos seleccionado “a mano”.
, estando el punto del Sketch asociado al taladro, sobre dicho plano y coincidiendo con un punto de tipo “Datum” (isolateado) que crea CATIA V5 en el anterior punto (sobre el que hemos hecho clic).
| ►Conclusión: | Usar, para hacer un taladro sobre una superficie curva, siempre la selección del punto que vosotros hayáis creado previamente por uno de los procedimientos visto (el que tengáis mas fácil). |
| ►Revisión Release 27: | Una forma “genérica” de hacer un taladro. contra una superficie de un sólido, es usar una línea de eje y, directamente, la superficie del sólido. |
| ¿Cuál es el “problema”? (Problema, entre comillas) Pues que al seleccionar la superficie, a veces, la “dirección” del taladro es hacia fuera del sólido y nos vemos forzados a cambiar esa dirección “a mano”. Lo digo porque aquellas personas que quieren “automatizar” un proceso haciendo una “macro” (como ellos dicen), se caen de bruces por desconocer CATIA V5, en sus módulos más elementales. |

Algunos pensais que esto es “muy rebuscado”
y que vosotros lo haceis mas fácil.
Tener presente que aqui estudiamos todas las posibilidades y por eso se hace mas largo. Después solo hay que aplicar una.
¡Claro yo tambien lo hago mas fácil cuando no es una superficie curva y de cuyo punto conozco sus coordenadas y si encima no tiene avellanado! Intentadlo con “vuestro método” con esta pieza y me contais...
| Dirija sus preguntas a: juanri@muchocatia.es | CATIA V5 R27 |