Menu Principal:
Está Vd en: Ejercicios>>Alámbricos
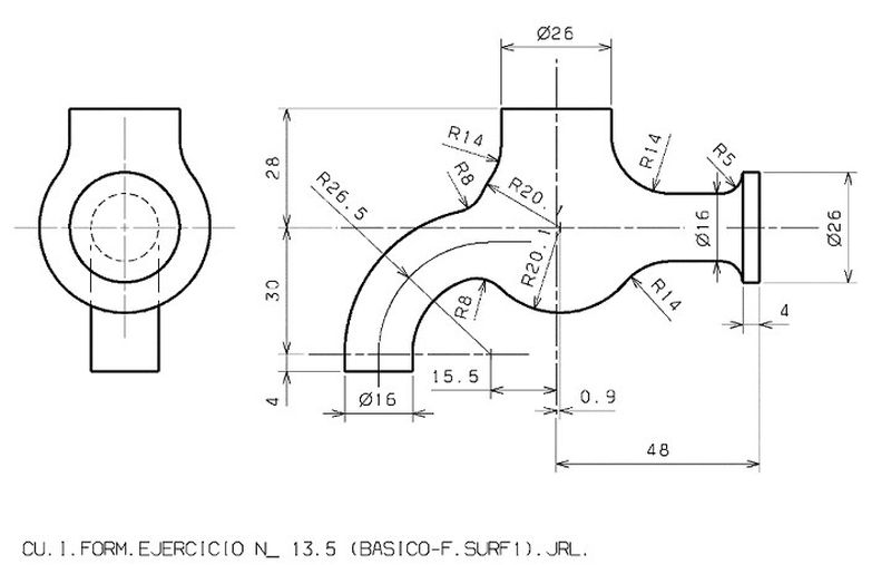
>>Ejercicio Nº13.
EJERCICIO Nº13 (WS) |
Ejercicio de WireFrame & Surface |
Ejer-N13-WS-Grifo |

|
|
Si quieres acceder a todo el contenido, tendrás que tener acceso al Nivel JR1 (“zona reservada”): Ejercicio-13-Nivel1.html que ahora mismo no está activa.
Funciones: Plane, Circle, Point, Sphere, Blend, Corner, Intersection, Line, Extrude, Revolve, Working on Support, Sweep, Shape Fillet, Fill, Sectioning (DMU_Navigator).
| Dirija sus preguntas a: juanri@muchocatia.es | Canal YouTube | CATIA V5 R27 Visitante nº |