Menu Principal:
Está Vd en: Ejercicios>>Sólidos
>> Ejercicio Nº11.
EJERCICIO Nº11 |
Ejercicio de la función Pad y operaciones booleanas |
Ejer-N11-PartD-HALF SUPPORT |
Vamos a diseñar una pieza típica de mecanizado.
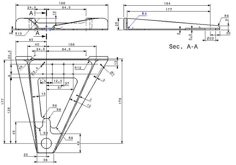
1.- Creamos los parámetros Dia_Fresa = 16mm. R_Fondo = 4mm y un Body.

• Crear un plano a una distancia de 184mm (“Plane.Distancia”) que coincida con el eje de círculo para condiciones de acotado. Y otro plano a 25mm paralelo al xy plane.
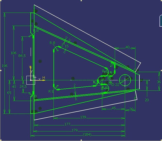
• Sobre el xy plane, creamos un Sketcher, al que identificaremos como “Sketch.Base”, y dibujamos todos los contornos cortando los elementos en los puntos de intersección por medio del icono “Break”

• Creamos otro Body y en él en el xz plane otro Sketcher con el Perfil.

Hacemos un Solid Combine con estos dos Sketch, seleccionado en el Sketch.Base, con la opción “Go to Profile definition”, el contorno de la pieza y del Sketch.Alzado todo
El resto de la explicación ... otro día.

Ver vídeo (Ejerc-11-HalfSupport.mp4)
Funciones: Pad, Pocket, Boolean: Combine, Add, Remove, Assembly